Описание проекта
Описание проекта
Мы благодарим всем, кто вери в нас и способствует развитию данного приложения и нашей команды "Цифровой Протопии".
Мы благодарим участников чата "Социократия 3.0" за моральную поддержку.
Особая благодарность авторам методологии "Социократия 3.0" выпущенной в рамках разрешительных лицензий и всем переводчикам методологии на русский язык.
Это сайт документации продукта. Про сам продукт S3APP вы можете узнать на сайте: https://s3app.ru
О S3APP

S3APP - трекер с открытым искходным кодом для гибкого управления горизонтальной командой по методологии "Социократии 3.0"
Приложение S3App возникло как результат проб и ошибок внедрения методологии "Социократия 3.0" в команде проекта "Цифровая Протопия" (ранее "Дом Протопии").
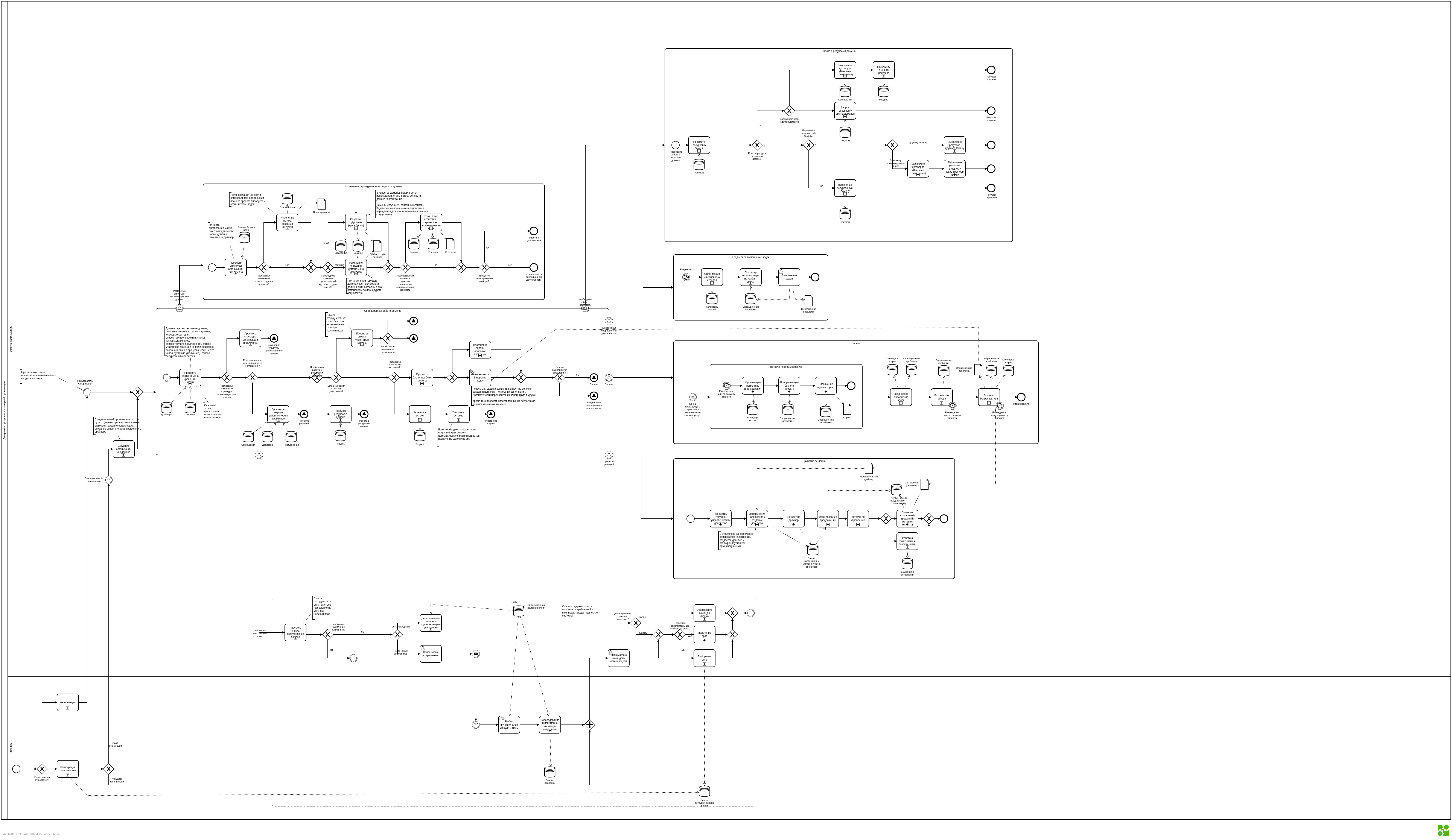
Общая схема бизнес-процессов

Обращение к разработчикам
Данное руководство содержит как информацию для команд внедряющих "социократию 3.0", пользователей трекера и сторонних разработчиков.
Обращение к пользователю
Данное руководство написано для вас. Мы начали его писать сразу после того, как мы начали повторно разрабатывать S3App. Мы надеемся, что в данном руководстве вы найдете ответы на все вопросы, касаемо нашего приложения.